Благодаря качественному европейскому исполнению передовой электрический котел модели Bosch (Бош) Tronic Heat 3000 6 RU способен с высокой эффективностью работать в самых разных условиях и характеризоваться стабильной производительностью в течение всех лет использования. Данное оборудование отличается передовой комплектацией и элегантным дизайном.
Особенности и преимущества электрических котлов Bosch серии Tronic Heat 3000:
- Использование как основной источник теплоснабжения на объектах где электричество является приоритетным для отопления
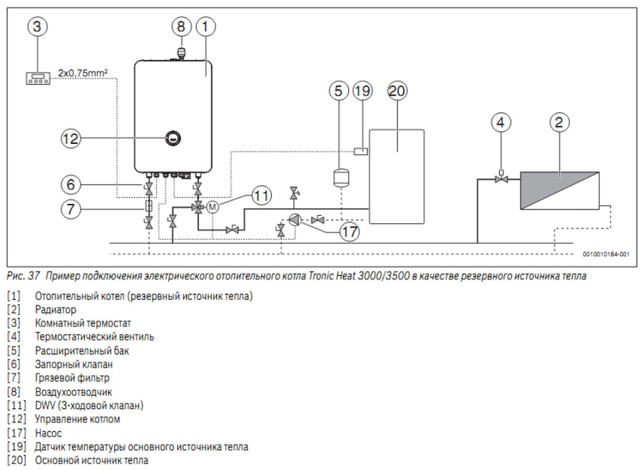
- Котел также можно использовать в качестве резервного источника тепла на объектах где основными производителями тепла являются приборы работающие на газовом топливе, солярке, твердом топливе, биомассе, тепловые насосы и иных источниках энергии.
- Простота в использовании, экономичность в эксплуатации, малые габариты, современный дизайн, высокая надежность и богатый функционал вот далеко не полный перечень отличительных характеристик новинки.
- Bosch Tronic Heat 3000/3500 производится в Чехии, в городе Крнов.
- Монтаж котла может быть осуществлен также и в комбинации с баком косвенного нагрева для производства ГВС. Такая компоновка подойдет как для частных домов, так и для иных объектов, где делается акцент на комфорте в приготовлении горячей воды.
Котлы из серии Tronic Heat 3000 от компании Bosch отлично подходят для самых разнообразных помещений, жилых и коммерческих. Серия представлена котлами с одним контуром с широким ассортиментом мощностей. Агрегату могут быть укомплектованы бойлерами косвенного нагрева для организации системы горячего водоснабжения. Среди преимуществ котлов стоит выделить небольшие габариты, удобство эксплуатации и отличную систему безопасности.

















