Bosch (Бош) Tronic Heat 3500 9 RU – это передовой однофазный котел электрического типа, рассчитанный на настенный монтаж в бытовых помещениях с целью организации системы отопления. При подключении бойлера к данному устройству его будет можно эксплуатировать и для налаживания ГВС. Представленная модель имеет гарантированный долгий срок службы и оборудована системой безопасности.
Особенности и преимущества электрических котлов Bosch серии Tronic Heat 3500:
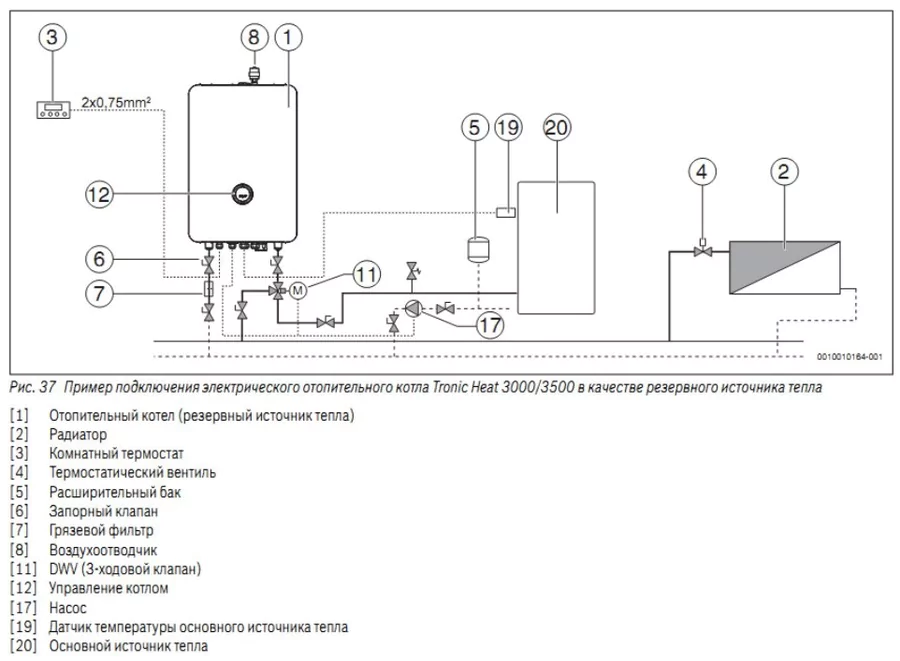
- Использование как основной источник теплоснабжения на объектах где электричество является приоритетным для отопления и как резервный источник тепла на объектах где основными производителями тепла являются приборы работающие на газовом топливе, солярке, твердом топливе, биомассе, тепловые насосы и иных источниках энергии.
- Экономичность в эксплуатации,
- Малые габариты, современный дизайн,
- Высокая надежность и богатый функционал
- Производится в Чехии, в городе Крнов.
- Монтаж котла может быть осуществлен также и в комбинации с баком косвенного нагрева для производства ГВС.
Tronic Heat 3500 от торговой марки Bosch — это современные источники тепла, экологичные, безопасные и удобные. Линейка представлена отопительными котлами разнообразных мощностей, для помещений площадью от двадцати до двухсот сорока квадратных метров. Котлы поставляются с расширительными баками и насосами для принудительной циркуляции теплоносителя.

















