Компания Эван занимается производством и разработкой широкого спектра отопительного оборудования: электрические и твердотопливные котлы, накопительные и электроводонагреватели, тепловые насосы и теплонакопители. В настоящее время компания входит в состав международного концерна NIBE Industrial AB. Сеть представительств компании насчитывает около 110 организаций, как в России, так и в странах СНГ.
Электрические отопители выпускает в пяти классах, от класса эконом до класса люкс. Котел Эван ЭПО-6 относится к классу «Стандарт-Эконом». Он используется для отопления жилых, производственных и других помещений небольшой площади. Котел может быть как основным, так и резервным источником отопления. Его рекомендуется эксплуатировать в помещениях с естественной вентиляцией воздуха.
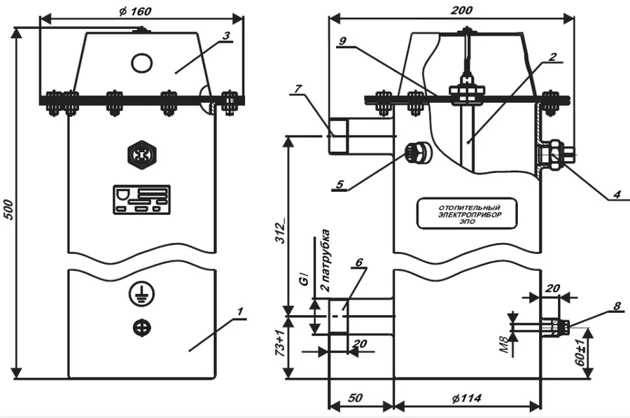
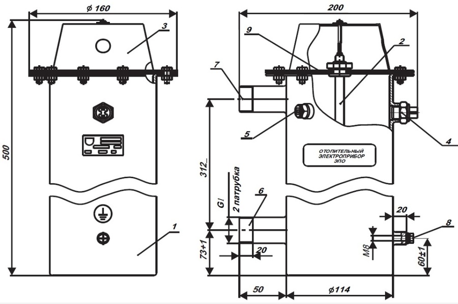
Котел Эван ЭПО-6 относится к приборам с первым классом защиты от электрического тока и подключается к однофазной трехпроводной электрической сети.
Котел состоит из корпуса с входными и выходными патрубками, крышки с ТЭНом из нержавеющей стали и регулятором температуры. Прибор устанавливается на стену в вертикальном положении. В качестве теплоносителя разрешается использовать воду или низкотемпературную жидкость без механических примесей.
Основными отличительными особенностями электроотопителя Эван ЭПО-6 является наличие аварийного термовыключателя, три пульта управления (аналоговый, электронный, модернизированный), а также экологичность, полная автоматизация управления и низкая стоимость.
Для продолжительной безопасной работы необходимо проводить регулярное техническое обслуживание прибора, кроме того, каждые 5 лет специалист сервисной службы должен проводить освидетельствование котла Эван ЭПО-6.
Электрический котел Эван ЭПО-6 поставляется в комплекте со шнуром и вилкой, регулятором температуры теплоносителя, пультом управления, аварийным термовыключателем, инструкцией по эксплуатации и гарантийным талоном.







