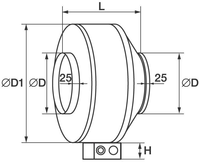
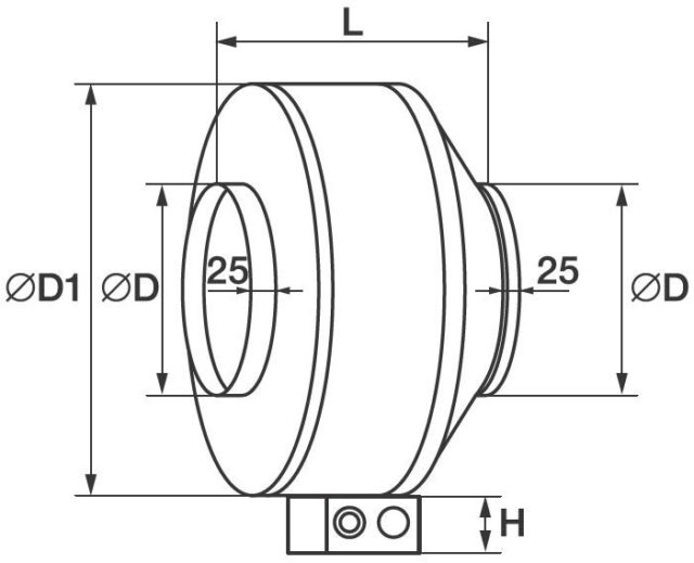
Shuft (Шафт) TUBE 160XL – это модель круглого вентилятора, предназначенного для установки в воздушных патрубках. Канальное оборудование подходит для обслуживания помещений различного типа. В качестве управления используется пятиступенчатый трансформатор или однофазный регулятор скорости. Все внутренние компоненты устройства соответствуют самым высоким требованиям качества.
Особенности и преимущества:
- Рабочее колесо установлено методом напрессовки непосредственно на ротор электродвигателя. Электродвигатель с рабочим колесом статически и динами-чески сбалансированы.
- Шариковые подшипники двигателя не требуют техобслуживания
- Двигатели имеют встроенное термореле с автоматическим перезапуском
- Прочный корпус из оцинкованной стали.
- Высокоэффективная крыльчатка с загнутыми назад лопатками.
- Высококачественные двигатели с внешним ротором IP 44.
- Регулирование скорости в диапазоне от 0 до 100% путем изменения напряжения (тиристорные или автотрансформаторные регуляторы).
- Разъемный корпус обеспечивает легкость обслуживания.
- Встроенная термозащита.
- Установка в любом положении.
Круглые канальные вентиляторы Shuft серии TUBE отличаются удобством монтажа и использования. Высокопрочные корпуса моделей изготовлены из качественной и износостойкой оцинкованной стали, устойчивой к воздействию окружающей среды. Каждая модель из представленной серии оснащена шарикоподшипниками, не требующими обслуживания.








