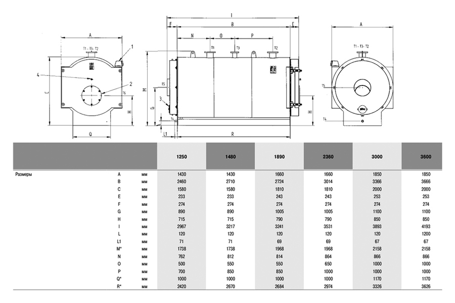
Водогрейный котел Ferroli (Ферроли) PREXTHERM RSW 1250 (813-1250кВт) отличается своей высокой производительностью и надежным функционированием. Агрегат изготовлен из качественных материалов, износостойких и устойчивых к термическому воздействию. Лицевая дверца котла открывается в обе стороны, что обеспечивает максимально комфортное использование оборудования.
Особенности и преимущества:
- Рабочее давление котлов в базовой комплектации — 6 бар.
- Образование конденсата сведено к минимуму за счет того, что пучок труб находится выше камеры сгорания.
- Горелка смещена вниз относительно камеры сгорания, что способствует реверсированию пламени, и, следовательно, увеличивает рабочий диапазон.
- Поверхность теплообмена увеличена за счет водоохлаждаемой камеры сгорания.
- Корпус котла изолирован при помощи покрытой износостойким материалом стекловатой.
- Улучшенная конструкция турбулизаторов обеспечивает высокие теплообменные показатели и снижает аэродинамические потери.
- Отражательная пластина, находящаяся на входном патрубке возврата воды из системы отопления, улучшает циркуляцию холодной воды, что способствует равномерному распределению теплоносителя по поверхности котла.
- Передняя дверца сконструирована таким образом, что может открываться и в правую и в левую сторону для более удобного доступа к камере сгорания. Изоляция дверцы также способствует минимизации тепловых потерь. Двойной запор дверцы предотвращает утечку горячих дымовых газов.
- Пульт управления автоматизирует работу котла и располагается перед передней дверцей.
Всемирно известный производитель Ferroli представляет серию водогрейных газовых котлов Prextherm RSW. Оборудование предназначено для подключения к системе горячего водоснабжения и центральной отопительной системе. Каждая модель оборудована специальной термоизоляцией из минеральной ваты. Для более комфортного управления оборудованием предусмотрен пульт.










