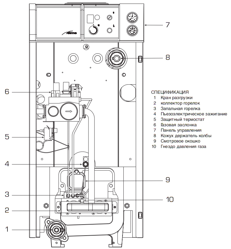
Одноконтурный газовый котел с чугунным теплообменником Sime (Сайм) RX 37 TP представляет собой современное оборудование, которое может осуществить эффективное отопление и стать альтернативным энергонезависимым источником тепла. Конструкция имеет надежное исполнение, устройство оснащено открытой камерой сгорания, что усложняет монтаж, но позволяет котлу работать эффективнее.
Особенности отопительного оборудования от компании Sime серии RX TP:
- Открытая камера сгорания
- Манометр и термометр расположены на лицевой панели
- Теплообменник из эвтектического чугуна с высокими теплоаккумулирующими свойствами
- Инжекционная одноступенчатая горелка «Multigas» из нержавеющей стали
- Для розжига котла используется пилотная горелка
- Возможность эксплуатации как на сжиженном, так и на природном газе (при использовании специального комплекта)
- Высокая эффективность благодаря качеству чугунного теплообменника и усовершенствованной изоляции корпуса котла
- Энергонезависимый котел
- Предусмотрено подключение комнатного термостата
- Возможность подключения внешнего накопительного бойлера
- Термопара для контроля пламени
- Аварийные термостаты дымоудаления и максимальной температуры котла вынесены на лицевую панель
- Защитная крышка узлов управления
- Поставляется в сборе, в деревянной обрешетке
Энергонезависимые газовые котлы Sime серии RX TP помогут организовать комфортное отопление в доме, с привлекательной экономичностью расходуя топливо и не требуя частого обслуживания. Агрегаты устанавливаются на пол в помещениях любой формы и всегда характеризуются повышенной производительностью; эффективно работают как на жилых, так и на промышленных объектах.









