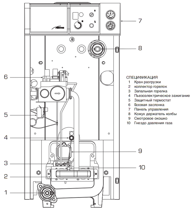
Напольный газовый котел Sime (Сайм) RX 48 TP устанавливается в отдельных нежилых помещениях и обеспечивает большую отопительную систему на 480 м2. Устройство работает на магистральном газу, с возможностью переключения на сжиженное топливо. Современная система управления включает только качественные и надежные узлы.
Особенности и преимущества:
- Высококачественный чугун
- Простое подключение
- Понятная система настройки
- Не требует подключение к сети
- Одноступенчатая горелка
- В качестве топлива могут выступать метан, бутан или пропан
- Панель управления на передней грани
Итальянская компания Sime представила серию эффективных и надежных напольных газовых котлов для создания отопительных систем. Энергонезависимое оборудование обладает широким спектром применения для бытовых и аналогичных зданий. Универсальности применения добавляет простая система управления напольными котлами.



