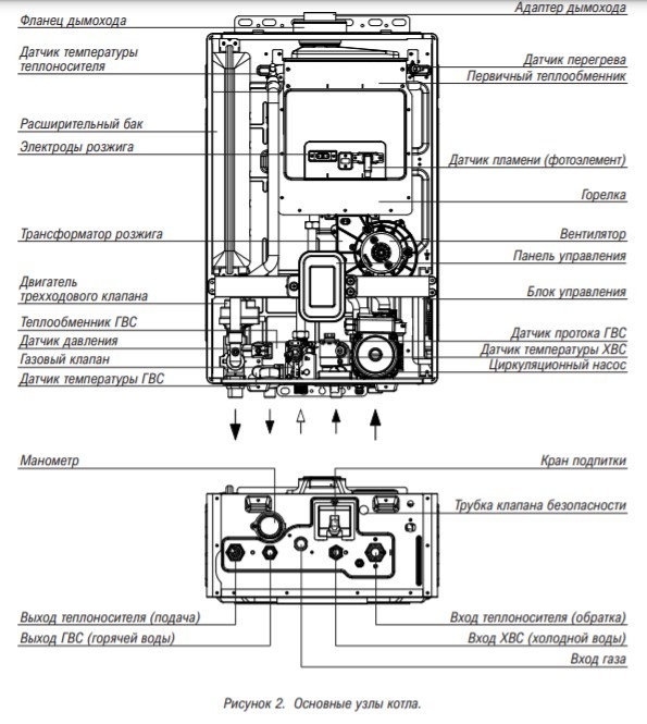
Kiturami (Китурами) World Alpha-35 (35кВт) котел чрезвычайно удобен в эксплуатации и имеет современную систему безопасности. Микросхема, встроенная в блок управления, позволяет автоматически регулировать температуру. В случае газовой проблемы, например, произошла утечка газа — автоматика снова включается. Система обнаруживает газ и сразу отключает котел, полностью исключая вероятность аварии.
Особенности:
- Датчик утечки газа
- Вентилятор с модуляцией скорости вращения
- Сейсмодатчик
- Функция самодиагностики
- Пластинчатый теплообменник ГВС из нержавеющей стали
- Пульт управления в комплекте
- Двухъярусный первичный теплообменник
- Циркуляционный насос с мокрым ротором
- Автоматическое выключение котла
- Отсутствует прессостат/Датчик Холла вентилятора
- Возможна установка как коаксиальной, так и раздельной системы дымоудаления
Серия World Alpha обеспечивает эффективное отопление и горячее водоснабжение в различных типах зданий и помещений. Разработанный механизм модуляции обеспечивает стабильную работу. Модельный ряд двухконтурных котлов мощностью от 13 кВт до 35 кВт оснащён пластинчатым теплообменником горячего водоснабжения, имеют датчик утечки газа, а также вентилятор с модуляцией. Газовые котлы очень популярны среди другого отопительного оборудования, поскольку газ в настоящее время является самым дешевым и эффективным видом топлива.












