Kiturami (Китурами) World Alpha S 24K двухконтурный котел с закрытой камерой сгорания станет «спасателем» для квартир в многоэтажном доме, где нет горячего водоснабжения круглый год. Однако у такого устройства есть существенный недостаток. При нагревании воды срабатывают клапаны и прекращается подача теплоносителя к аккумуляторам. Если часто использовать горячую воду, есть риск, что радиаторы полностью остынут, что скажется на тепле в помещении.
Особенности:
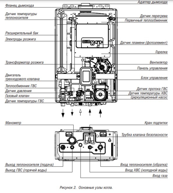
- Блок управления, оснащенный системой выявления утечки газа, автоматически прекращает работу котла. Это позволяет предотвратить аварийную ситуацию.
- Модулируемая скорость вращения вентилятора обеспечивает оптимальное соотношение газа и воздуха в камере сгорания для экономичной работы котла. Модуляция также гарантирует стабильную работу при изменении сопротивления в системе дымоудаления из-за ветра.
- Датчик сейсмической активности. При сейсмической активности или появлении уклона котла более 2°, котел автоматически прекращает работу, что позволяет предотвратить аварийную ситуацию.
- В случае неисправности мигает контрольная лампочка, и на дисплее комнатного пульта управления отображается код ошибки. Это позволяет легко установить причину нештатной ситуации.
- Пластинчатый теплообменник горячего водоснабжения (ГВС) обеспечивает быструю регулировку температуры горячей воды с точностью до 1 °C даже при изменяющемся расходе воды.
- Основной теплообменник из нержавеющей стали обеспечивает защиту от конденсата и долговечную работу. Двухслойная конструкция гарантирует максимально эффективный теплосъем и экономичность.
- Циркуляционный насос с мокрым ротором работает практически бесшумно.
- Инновационный контроль работы вентилятора с помощью датчика Холла, а не прессостата, исключает остановку котла из-за образования конденсата в трубках прессостата.
- Возможна установка как коаксиальной (60/100), так и раздельной системы дымоудаления (80/80)
- Котел отрегулирован на предприятии изготовителе на природный газ (G20), давление 20 мбар.
Современное газовое настенное оборудование от корейского бренда Kiturami, представленное в серии WorldAlpha S со встроенным датчиком утечки газа и пластинчатым теплообменником ГВС, имеет несколько функций, которые отвечают, как за работу отопительной техники, так и за ее безопасность. Модели просты в эксплуатации, имеют закрытую камеру сгорания и работают по принципу забора воздуха извне через коаксиальный дымоход. В ассортименте представлены устройства тепловой мощностью от 13 кВт до 35 кВт. Производятся на природном и сжиженном газе.










