Viessmann Vitodens 200-W (B2HAK06/B2HA876/B2HA241) – это новейший эргономичный многофункциональный котел, созданный для организации отопительных систем на различных жилых объектах. При изготовлении рассматриваемого оборудования были использованы специальные передовые технологии, благодаря чему удалось обеспечить несравненную прочность и надежность данного котла.
Основные достоинства рассматриваемой модели конденсационного настенного котла Viessmann:
- Коэффициент полезного действия: до 98% (Hs) / 109% (Hi);
- Поверхность нагрева Inox-Radial из высококачественной нержавеющей стали: эффективность, долговечность, эффект самоочистки поверхности от накипи и загрязнений;
- Низкий коэффициент эмиссии вредных веществ в уходящих газах, соответствующий немецкому экологическому требованию „Голубой ангел“;
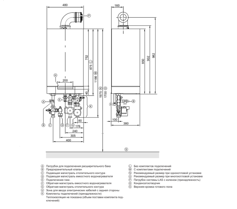
- Не требуется дополнительного монтажного пространства при обслуживании котла, все компоненты легко доступны с фронта котла;
- Низкое потребление электроэнергии благодаря изменяемому числу оборотов двигателя вентилятора воздуха;
- Комбинированное исполнение котла: комфортное приготовление горячей воды благодаря интегрированному пластинчатому теплообменнику и температурному регулятору.
Настенные газовые котлы серии Vitodens от Viessmann – это возможность организовать благоприятные климатические условия, которые бы соответствовали тепловому комфорту. Данное оборудование имеет привлекательное визуальное решение, а простата его дизайна сочетается с высокой практичностью и достойным удобством. Каждая модель требует определенного типа монтажа.











