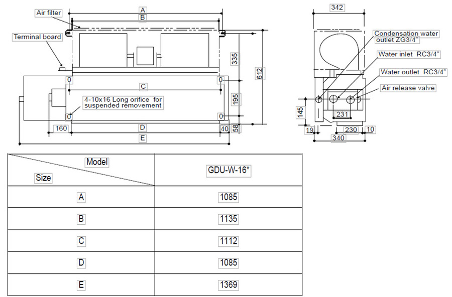
Фанкойл горизонтального типа с фильтром (EU-2) модели General Climate (Дженерал Климат) GDU-W-16DR характеризуется высокой производительностью и может работать в нескольких ступенях мощности, поэтому поможет быстро и точно отрегулировать оптимальную температуру в промышленном помещении. Прибор оснащен прочным корпусом и качественным медным теплообменником с алюминиевым оребрением.
Особенности фанкойлов рассматриваемой серии от торговой марки General Climate:
- Двухтрубная версия
- Режим работы: охлаждение, нагрев, вентиляция
- Проводной пульт управления необходимо приобрести
- Фильтр EU-2
- Оптимальная форма теплообменника
- Данный тип фанкойла позволяет быстро и просто изменять сторону подключения трубопроводов прямо на объекте
- Свободный напор устанавливается путем выбора соответствующей скорости электродвигателя
- Доп.опции: термостат и запорно-регулирующий узел
Фанкойлы горизонтального типа с фильтром (EU-2) 2-х трубной версии от General Climate были разработаны для промышленных помещений, поэтому отличаются высокой мощностью и отличными показателями точности выдаваемых температур. Все модели из серии быстро устанавливаются и, благодаря эргономичной конструкции корпуса, считаются удобными в техническом обслуживании. Приборы способны работать в режиме охлаждения и обогрева воздуха.








