Buderus (Будерус) Logamax U072-28 – это современная модель эффективного и эргономичного настенного котла, работающего на газе. Корпус представленной модели отличается очень качественным передовым исполнением и имеет стильный дизайн, все детали комплектации котла исполнены из надежных и долговечных материалов. Такой котел стабильно работает в любых условиях.
Особенности и преимущества:
- Диапазон мощности котлов 12, 18 и 24, 35 кВт идеально подойдет как для частного дома, так и для квартиры.
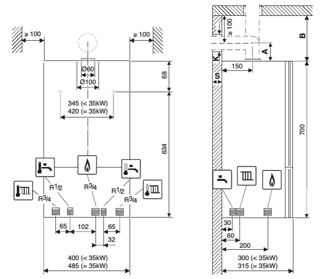
- Вертикальные соединения для подводки труб к котлу обеспечивают максимально удобный монтаж котла
- Бесперебойная работа даже при перепадах давления воды и газа
- Компактность и небольшой вес
- Неприхотливость к перепадам напряжения
- Устойчивость работы при перепадах давления газа
- Модулируемый вентилятор
- Защищенность от замерзания
- Адаптирован к российским условиям
- Обогрев больших площадей (110-240 м2)
- Низкий уровень шума < 36 dBA
- Электронное зажигание
- Контроль пламени при помощи ионизационного электрода
- Индикация кодов ошибок на LCD-дисплее
В серии Logamax U072 от Buderus представлены двух- и одноконтурные газовые котлы, предназначенные для настенной установки в бытовых помещениях. Устройства помогают грамотно обогреть всю необходимую площадь, некоторые из представленных моделей также отлично работают в системах гвс. Котлы оборудованы защитой от замерзания и устойчивы к нестабильному давлению.











