Двухконтурный газовый котел с новейшей технологичной комплектацией и элегантным прочным корпусом Buderus (Будерус) Logamax U072-24K является прекрасным вариантом для установки на объектах, где необходимо наладить отопление и систему гвс. Агрегат не требует от пользователя постоянного присмотра, легко обслуживается и не производит вредных выбросов, угрожающих здоровью людей.
Особенности и преимущества газовых котлов Buderus серии Logamax U072:
- Диапазон мощности котлов 12, 18 и 24, 35 кВт идеально подойдет как для частного дома, так и для квартиры.
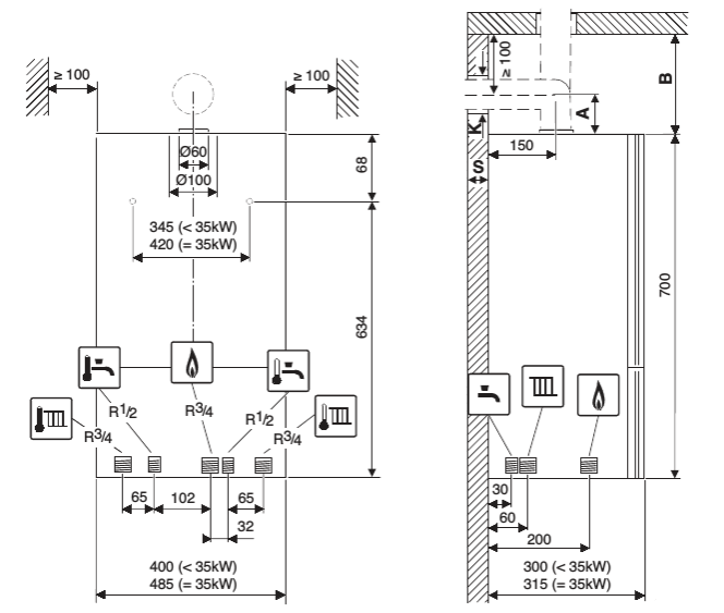
- Вертикальные соединения для подводки труб к котлу обеспечивают максимально удобный монтаж котла
- Бесперебойная работа даже при перепадах давления воды и газа
- Компактность и небольшой вес
- Неприхотливость к перепадам напряжения
- Устойчивость работы при перепадах давления газа
- Модулируемый вентилятор
- Защищенность от замерзания
- Адаптирован к российским условиям
- Обогрев больших площадей (110-240 м2)
- Низкий уровень шума < 36 dBA
- Электронное зажигание
- Контроль пламени при помощи ионизационного электрода
- Индикация кодов ошибок на LCD-дисплее
В серии Logamax U072 от Buderus представлены двух- и одноконтурные газовые котлы, предназначенные для настенной установки в бытовых помещениях. Устройства помогают грамотно обогреть всю необходимую площадь, некоторые из представленных моделей также отлично работают в системах гвс. Котлы оборудованы защитой от замерзания и устойчивы к нестабильному давлению.









